з ПДВ

Гідрозамок Oleodinamica Marchesini двосторонній фланцевий VBPDE 3/8" FL - L3=62
- В наявності
- Код: V0187
2 543 ₴
+380 (96) 269-65-08
- +380 (50) 740-02-12
повернення товару протягом 14 днів за рахунок покупця
Опис
Характеристики
Специфікація
Інформація для замовлення
Гідрозамок Oleodinamica Marchesini двосторонній фланцевий VBPDE 3/8" FL - L3=62 використовується для утримання гідравлічних двигунів (наприклад, гідроциліндра) під навантаженням в статичному положенні. Здвоєний (двоклапанний) гідрозамок застосовується скрізь, де потрібно зафіксувати гідроциліндр, щоб виключити його самовільний рух.
Характеристики VBPDE 3/8" FL - L3=62:
Номінальні витрати рідини (л/хв): 30
Максимальний піковий тиск, бар: 350
Різьблення: G3/8"
Тиск відкриття, бар: 4,5
Передаточне відношення: 1:5,5
Вага, кг: 1,342
| Основні | |
|---|---|
| Виробник | Oleodinamica Marchesini |
| Країна виробник | Італія |
| Гарантійний термін | 12 міс |
| Номінальна витрата рідини | 30 л/хв |
| Стан | Новий |
| Тип | Гідрозамок |
| Корпус | Оцинковая сталь |
| Максимальний піковий тиск, бар | 350 |
| Передаточне відношення | 1:5,5 |
| Різьба | G3/8" |
| Ущільнення | BUNA N standard |
| Витоку | мінімальні |
| Користувальницькі характеристики | |
| Вага (кг) | 1,342 |
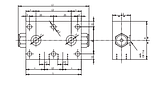
| Розмір L, мм | 90 |
| Розмір L1, мм | 113 |
| Розмір L2, мм | 39 |
| Тип манометра | Фланцовий |
| Додаткові характеристики | |
| Розмір H, мм | 80 |
| Розмір L3 мм | 81 |
| Розмір S, мм | 35 |
- Ціна: 2 543 ₴


