з ПДВ

Дзвін ОМТ ТНВ25-50Х
- В наявності
- Код: ТНВ25-50Х
Ціну уточнюйте
Мінімальна сума замовлення на сайті — 1 500 ₴
+380 (96) 269-65-08
- +380 (50) 740-02-12
повернення товару протягом 14 днів за рахунок покупця
Опис
Характеристики
Специфікація
Інформація для замовлення
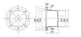
Дзвін ОМТ ТНВ25-50Х призначений для з'єднання електродвигуна з насосом. З відкритою боку має кілька отворів для з'єднання з фланцем електродвигуна, з іншого боку є отвір під вал насоса і кріпильні отвори (переважно під 4 гвинта)
Характеристики ТНВ25-50Х:
Матеріал: Алюміній
Робоча температура: від -30 ° С до + 80 ° С
Потужність електродвигуна (кВт): 2,2 - 4,0
Розмір D1, мм: 50
Розмір D2, мм: 176
Розмір D3, мм: 183
Розмір D4, мм: 180
Розмір D5, мм: 215
Розмір D6, мм: 250
Розмір D7, мм: 14
Кількість болтів: 4
Розмір болтів: M12
Розмір H1, мм: 112
Розмір H2, мм: 21
| Основні | |
|---|---|
| Виробник | OMT |
| Країна виробник | Італія |
| Стан | Нове |
| Користувальницькі характеристики | |
| Кількість болтів | 4 |
| Матеріал | Алюміній |
| Потужність електродвигуна (кВт) | 2,2 - 4,0 |
| Робоча температура | від -30°С до +80°С |
| Розмір D2, мм | 176 |
| Розмір D3, мм | 183 |
| Розмір D4, мм | 180 |
| Розмір D5, мм | 215 |
| Розмір D6, мм | 250 |
| Розмір D7, мм | 14 |
| Розмір H1, мм | 112 |
| Розмір H2, мм | 21 |
| Розмір d1, мм | 50 |
| Розмір болтів | M12 |
- Ціна: Ціну уточнюйте



