з ПДВ

Плита OMT BMA10P3L5X-20 зі запобіжним клапаном
- В наявності
- Оптом і в роздріб
- Код: BMA10P3L5X-20
Ціну уточнюйте
Мінімальна сума замовлення на сайті — 1 500 ₴
+380 (96) 269-65-08
- +380 (50) 740-02-12
повернення товару протягом 14 днів за рахунок покупця
Опис
Характеристики
Специфікація
Інформація для замовлення
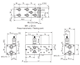
Плита OMT BMA10P3L5X-20 зі запобіжним клапаном застосовується для установки будь-розподільників Ду-10 з кріпленням за стандартом CETOP 5. Біля плити CETOP 5 є регульований запобіжний клапан.
Характеристики BMA10P3L5X-20:
Матеріал: Алюміній
Номінальний витрата рідини (л/хв): 30
Робочий тиск, бар: 30-250
Порт A, B: G3/8"
Порт P, T: G1/2"
Умовний прохід, мм: 10
Посадочні місця під розподільник: 5
| Основні | |
|---|---|
| Виробник | OMT |
| Країна виробник | Італія |
| Стан | Новий |
| Матеріал | Алюміній |
| Номінальний витрата рідини (л/хв) | 30 |
| Порт P, T | G1/2" |
| Порт A, B | G3/8" |
| Посадочні місця під розподільник | 5 |
| Робочий тиск (bar) | 30-250 |
| Умовний прохід, мм | 10 |
- Ціна: Ціну уточнюйте


